
MTD東日刻度盤式扭力螺絲刀,型號MTD5MN,全長99.5mm,扭矩范圍為0.5~5,適用于極小扭矩值的檢查;小型扭矩軸的檢查和測量;扭桿裝置可保證精確測量,帶雙向刻度盤,可以同時使用加擰和回程扭矩檢測法。
177-2781-6361
MTD東日刻度盤式扭力螺絲刀,型號MTD5MN,全長99.5mm,扭矩范圍為0.5~5,適用于極小扭矩值的檢查;小型扭矩軸的檢查和測量;扭桿裝置可保證精確測量,帶雙向刻度盤,可以同時使用加擰和回程扭矩檢測法。
MTD5MN東日刻度盤式扭力螺絲刀
MTD5MN扭力螺絲刀
日本東日刻度盤式扭力螺絲刀
產品特點:
1.適用于極小扭矩值的檢查。
2.適用于小型扭矩軸的檢查和測量。
3.扭桿裝置可保證精確測量。
4.帶雙向刻度盤,可以同時使用加擰和回程扭矩檢測法。
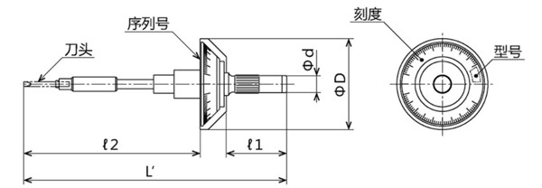
規格: 精度 ±3%
|
國際單位制型號 |
MTD5MN |
MTD10MN |
||
|
扭矩范圍[mN·m] |
最小~最大 |
0.5~5 |
1~10 |
|
|
刻度 |
0.1 |
0.2 |
||
|
公制型號 |
50MTD |
100MTD |
||
|
扭矩范圍[gf·cm] |
最小~最大 |
5~50 |
10~100 |
|
|
刻度 |
1 |
2 |
||
|
美制型號 |
MTD07Z |
MTD1.4Z |
||
|
扭矩范圍[ozf·in] |
最小~最大 |
0.1~0.7 |
0.2~1.4 |
|
|
刻度 |
0.02 |
|||
|
尺寸 [mm] |
全長 |
L’ |
99.5 |
132 |
|
外徑 |
D |
40 |
||
|
本體 |
?1 |
26.5 |
||
|
d |
8 |
|||
|
?2 |
71.5 |
94 |
||
|
重量[g] |
21 |
23 |
||
|
附件 刀頭 |
+ |
#0 |
||
|
-厚度 × 寬度 |
0.15×1、0.2×1.5、0.3×2 |
|||
產品尺寸圖:
松本機電提供選型服務,1000多種產品型號,可根據客戶機械設備量身定制主軸及工量具專屬 解決方案。
松本機電擁有完整服務鏈,自主團隊可上門為您安裝調試,并且隨時提供電話支持及現場解答。
松本機電自有技術維修團隊,可提供上門維修服務,維修速度快,為您節省3倍的維修時間,讓您售后無憂。
松本機電選用NAKANISHI品牌,10年專注主軸、工量具領域,品牌授權,原廠證明、報關清單、原產地證明,三證齊全,原裝正品保障。
松本機電通過持續不斷的國際技術交流,層層攻克技術難題,自有工程師團隊,具備設計及開發能力和自動化整合的技術。