
日本銳必克XEBEC圓棒型陶瓷纖維研磨刷CH-A12-1.5M,刷子直徑1.5mm,柄直徑3mm,刷長50mm,總長120mm,適合加工孔徑為3.5~5mm。適合去除3.5mm~20mm的交叉孔細微毛刺,0.1mm機加工后毛刺,研磨圓筒內表面和黑皮,孔底面切削粉塵和異物,可加裝在NC機械或者專用機床上。
177-2781-6361
日本銳必克XEBEC圓棒型陶瓷纖維研磨刷CH-A12-1.5M,刷子直徑1.5mm,柄直徑3mm,刷長50mm,總長120mm,適合加工孔徑為3.5~5mm。適合去除3.5mm~20mm的交叉孔細微毛刺,0.1mm機加工后毛刺,研磨圓筒內表面和黑皮,孔底面切削粉塵和異物,可加裝在NC機械或者專用機床上。
CH-A12-1.5M陶瓷研磨刷
圓棒型陶瓷纖維研磨刷
日本銳必克XEBEC圓棒型陶瓷纖維研磨刷
產品特點:
1.適合去除3.5mm~20mm的交叉孔細微毛刺;
2.由于旋轉的離心力,會擴大刷子,在刷子的前端有研削力,去除圓筒內的交叉孔細微毛刺;
3.可以完全去除根部厚度0.1mm以下機械加工后的細微毛刺;
4.去除圓筒內的內部表面研磨和黑皮;
5.去除孔底面的切削粉塵和異物;
6.安裝在NC機械或專用設備上,實現交叉孔毛刺去除自動化。
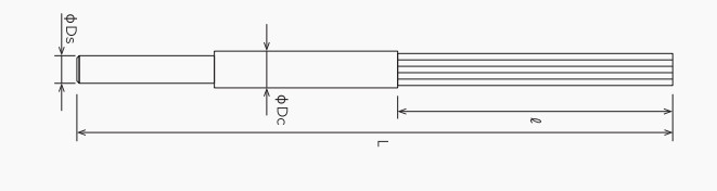
產品規格:
|
刷子顏色 |
型號 |
刷子直徑 |
套筒直徑Dc |
柄直徑Ds |
刷長 |
全長L |
轉速(轉/min) |
適合加工孔徑 |
|
A12(紅色) |
CH-A12-1.5M |
Φ1.5 |
Φ2.5 |
Φ3 |
50 |
120 |
20000 |
Φ3.5~5mm |
|
CH-A12-3M-TL |
Φ3 |
Φ4 |
Φ3 |
50 |
120 |
14000 |
Φ5~8mm |
|
|
CH-A12-3L-TL |
Φ3 |
Φ4 |
Φ4 |
50 |
170 |
12000 |
Φ5~8mm |
|
|
CH-A12-5M-TL |
Φ5 |
Φ6 |
Φ6 |
50 |
120 |
14000 |
Φ8~10mm |
|
|
CH-A12-5L-TL |
Φ5 |
Φ6 |
Φ6 |
50 |
170 |
12000 |
Φ8~10mm |
|
|
CH-A12-7M-TL |
Φ7 |
Φ8 |
Φ6 |
50 |
120 |
14000 |
Φ10~20mm |
|
|
CH-A12-7L-TL |
Φ7 |
Φ8 |
Φ8 |
50 |
170 |
12000 |
Φ10~20mm |
|
|
CH-A12-11M |
Φ11 |
Φ12 |
Φ12 |
50 |
120 |
14000 |
Φ14~20mm |
|
|
CH-A12-11L |
Φ11 |
Φ12 |
Φ12 |
60 |
170 |
12000 |
Φ14~20mm |
|
|
A33(藍色) |
CH-A33-3M |
Φ3 |
Φ4 |
Φ3 |
60 |
130 |
14000 |
Φ5~8mm |
|
CH-A33-3L |
Φ3 |
Φ4 |
Φ4 |
60 |
180 |
12000 |
Φ5~8mm |
|
|
CH-A33-5M |
Φ5 |
Φ6 |
Φ6 |
60 |
130 |
14000 |
Φ8~10mm |
|
|
CH-A33-5L |
Φ5 |
Φ6 |
Φ6 |
60 |
180 |
12000 |
Φ8~10mm |
|
|
CH-A33-7M |
Φ7 |
Φ8 |
Φ6 |
60 |
130 |
14000 |
Φ10~14mm |
|
|
CH-A33-7L |
Φ7 |
Φ8 |
Φ8 |
60 |
180 |
12000 |
Φ10~14mm |
|
|
CH-A33-11M |
Φ11 |
Φ12 |
Φ12 |
60 |
130 |
14000 |
Φ14~20mm |
|
|
CH-A33-11L |
Φ11 |
Φ12 |
Φ12 |
60 |
180 |
12000 |
Φ14~20mm |
產品尺寸:
使用注意事項:
以下情況會引起研磨刷破損
1.使用轉速超過規定最高轉速
2.使用氣動式旋轉工具
3.使用于孔外部(工件外部)
以下情況中使用可能會引起研磨刷破損
1.偏心交叉孔,傾斜交叉孔
2.T字形交叉孔,二次加工孔徑為一次加工孔徑的100%以上
3.十字形交叉孔,二次加工孔徑為一次加工孔徑的70%以上
產品用途:
松本機電提供選型服務,1000多種產品型號,可根據客戶機械設備量身定制主軸及工量具專屬 解決方案。
松本機電擁有完整服務鏈,自主團隊可上門為您安裝調試,并且隨時提供電話支持及現場解答。
松本機電自有技術維修團隊,可提供上門維修服務,維修速度快,為您節省3倍的維修時間,讓您售后無憂。
松本機電選用NAKANISHI品牌,10年專注主軸、工量具領域,品牌授權,原廠證明、報關清單、原產地證明,三證齊全,原裝正品保障。
松本機電通過持續不斷的國際技術交流,層層攻克技術難題,自有工程師團隊,具備設計及開發能力和自動化整合的技術。