
瑞士girodtast防震型百分表GT66302AC,指針式百分表,測量范圍:30mm,讀數0.01mm,表盤直徑58mm。具有防震性能,防震保護套。高靈敏度、準確度和重復精度,具有高可靠性,耐久性,不受磁場影響,自動改變探測方向,不改變針的旋轉方向,堅固的外殼,帶有硬質金屬球的探頭,可旋轉240°,易于操作,普遍都能適用。
177-2781-6361
瑞士girodtast防震型百分表GT66302AC,指針式百分表,測量范圍:30mm,讀數0.01mm,表盤直徑58mm。具有防震性能,防震保護套。高靈敏度、準確度和重復精度,具有高可靠性,耐久性,不受磁場影響,自動改變探測方向,不改變針的旋轉方向,堅固的外殼,帶有硬質金屬球的探頭,可旋轉240°,易于操作,普遍都能適用。
GT66302AC指針式百分表
GT66302AC防震型百分表
瑞士girodtast指針式百分表
產品特點:
1.具有防震功能,高靈敏度、精度和重復精度;
2.所有Girod-Tast指標都已被證明具有可靠性、耐久性和現代設計特點;
3.對磁場不敏感;
4.自動改變探測方向,而不改變針的旋轉方向;
5.通過將針的行程限制為一圈,易于讀取和消除錯誤。
6.旋轉刻度盤;
7.嵌入式精密運動,可互換,簡化維修。
8.非常堅固的整體式外殼,裝有3個在整體中銑削的燕尾榫。
9.安裝在精密滾珠軸承上的樞軸;
10.精細的形狀和三個燕尾,非常易于操作,普遍適用。
11.帶有硬質金屬球的探頭,可旋轉240°,并且可以互換。
12.大多數比較器都是由防震輪有效地保護的,以防止閥桿受到沖擊造成的損壞。對閥桿的沖擊不會直接傳遞給機構。
13.整個產品系列中,提高質量的標準特性是材料和部件的選擇,是為了確保較長的使用壽命。
產品規格:
|
型號 |
測量范圍 |
讀數 |
表盤直徑 |
性能 |
|
GT66302AC |
30mm |
0.01mm |
58mm |
防震 |
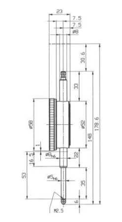
產品尺寸:
提供多種型號:
1.水平、垂直和平行;
2.大刻度盤和小刻度盤;
3.長短探頭;
4.公制讀數0.01 mm和0.001 mm和0.002 mm;
*英寸讀數0.0005“和.0001”;
5.提供快速可靠的維護服務;
6.每個設備都裝在一個箱子里,里面有一個扳手和一個指示器支架。
7.各種配件。
*與處置相關的招股說明書。
松本機電提供選型服務,1000多種產品型號,可根據客戶機械設備量身定制主軸及工量具專屬 解決方案。
松本機電擁有完整服務鏈,自主團隊可上門為您安裝調試,并且隨時提供電話支持及現場解答。
松本機電自有技術維修團隊,可提供上門維修服務,維修速度快,為您節省3倍的維修時間,讓您售后無憂。
松本機電選用NAKANISHI品牌,10年專注主軸、工量具領域,品牌授權,原廠證明、報關清單、原產地證明,三證齊全,原裝正品保障。
松本機電通過持續不斷的國際技術交流,層層攻克技術難題,自有工程師團隊,具備設計及開發能力和自動化整合的技術。