

日本得樂數顯型橡膠硬度計GSD-719K-L,屬于A類型、長腳型、數顯型硬度計,帶峰值保留功能,用于一些特殊場合,被測工件表面不規則,深孔底部等。
177-2781-6361
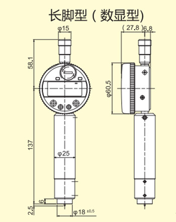
日本得樂數顯型橡膠硬度計GSD-719K-L,屬于A類型、長腳型、數顯型硬度計,帶峰值保留功能,用于一些特殊場合,被測工件表面不規則,深孔底部等。深孔和長腳型指針硬度都配有置位針,數顯型的帶有峰值保留功能,符合DIN 53505標準。
日本得樂數顯型橡膠硬度計GSD-719K-L
日本得樂數顯型橡膠硬度計GSD-719K-L
PRODUCT PARAMETER
|
型號 |
類型 |
用途 |
基準規格 |
標準荷重值 |
押針形狀(mm) |
側頭直徑(mm) |
押針高度(mm) |
質量(g) |
|
GSD-719K-H |
A-深孔型 |
一般橡膠(如:輪胎、橡膠水管硬度小于D型20°) |
JIS K 6253,JIS K 7215,ISO7619,ISO868,ASTM D 2240 |
550-8050Mn (56.1-821.1gf) |
尖徑直徑0.79 35°圓錐狀 |
Φ12 |
2.50 |
170 |
|
GSD-719K-L |
A-長腳型 |
JIS K 6253,JIS K 7215,ISO7619,ISO868,ASTM D 2240,DIN 53 505 |
550-8050Mn (56.1-821.1gf) |
尖徑直徑0.79 35°圓錐狀 |
Φ18 |
2.50 |
380 |
|
|
GSD-720K-H |
D-深孔型 |
硬質橡膠如:硬質橡膠硬度大于A型90° |
JIS K 6253,JIS K 7215,ISO7619,ISO868,ASTM D 2240 |
0-44450Mn (0-4533gf) |
尖徑直徑0.1 30°圓錐狀 |
Φ12 |
2.50 |
170 |
|
GSD-720K-L |
D-長腳型 |
JIS K 6253,JIS K 7215,ISO7619,ISO868,ASTM D 2240,DIN 53 505 |
0-44450Mn (0-4533gf) |
尖徑直徑0.1 30°圓錐狀 |
Φ18 |
2.50 |
380 |
產品尺寸
松本機電提供選型服務,1000多種產品型號,可根據客戶機械設備量身定制主軸及工量具專屬 解決方案。
松本機電擁有完整服務鏈,自主團隊可上門為您安裝調試,并且隨時提供電話支持及現場解答。
松本機電自有技術維修團隊,可提供上門維修服務,維修速度快,為您節省3倍的維修時間,讓您售后無憂。
松本機電選用NAKANISHI品牌,10年專注主軸、工量具領域,品牌授權,原廠證明、報關清單、原產地證明,三證齊全,原裝正品保障。
松本機電通過持續不斷的國際技術交流,層層攻克技術難題,自有工程師團隊,具備設計及開發能力和自動化整合的技術。