
日本東日數字式扭力表BTGE-G,數字式扭力表系列,適用于小扭矩范圍2~200cN·m;手持數字式小扭力計,倒置式顯示屏可調節以獲得最佳閱讀體驗并適用于各種檢測位置,內置顯示器為用戶提供易用性和便捷性;可保存最多999條讀數,帶計算功能可顯示最大/最小/平均值;非常適于精密機械、電子設備和各種組件的扭矩測量。
177-2781-6361
日本東日數字式扭力表BTGE-G,數字式扭力表系列,適用于小扭矩范圍2~200cN·m;手持數字式小扭力計,倒置式顯示屏可調節以獲得最佳閱讀體驗并適用于各種檢測位置,內置顯示器為用戶提供易用性和便捷性;可保存最多999條讀數,帶計算功能可顯示最大/最小/平均值;非常適于精密機械、電子設備和各種組件的扭矩測量。
日本東日數字式扭力表BTGE-G
BTGE-G扭力計
日本東日數字式扭力表
產品特點:
1.兼具數字顯示功能的數字扭力表
2.手持數字式小扭力計。
3.倒置式顯示屏可調節以獲得最佳閱讀體驗并適用于各種檢測位置。
4.內置顯示器為用戶提供易用性和便捷性。
5.非常適于精密機械、電子設備和各種組件的扭矩測量。
6.止動件可防止意外過載。
7.可保存最多999條讀數,帶計算功能可顯示最大/最小/平均值。
8.紐扣鋰電池(CR2450)連續使用時間約10小時。
9.USB連接線可將數據傳輸至PC。
10.適用于國際范圍,包括歐盟地區。
11.帶CE標志。
12.可以免費下載實現Excel(R)數據管理的數據輸入工具“ExRv(Excel Receiver)”。※Excel(R)為微軟公司的注冊商標。
適用范圍:
1.適用于極小扭矩的測量、檢查和緊固。
2.可用于檢查扭力螺絲刀的精度。
規格:
精度±2%+1位數
|
型號 |
BTGE10CN-G |
BTGE20CN-G |
BTGE50CN-G |
BTGE100CN-G |
BTGE200CN-G |
||
|
扭矩范圍[cN·m] |
最小~最大 |
2~10 |
4~20 |
10~50 |
20~100 |
40~200 |
|
|
1位數 |
0.01 |
0.02 |
0.05 |
0.1 |
0.2 |
||
|
扭矩范圍[kgf·cm] |
最小~最大 |
0.2~1 |
0.4~2 |
1~5 |
2~10 |
4~20 |
|
|
1位數 |
0.001 |
0.002 |
0.005 |
0.01 |
0.02 |
||
|
扭矩范圍[ozf·in] |
最小~最大 |
3~14 |
6~28 |
15~70 |
30~140 |
60~280 |
|
|
1位數 |
0.01 |
0.02 |
0.05 |
0.1 |
0.2 |
||
|
扭矩范圍[lbf·in] |
最小~最大 |
0.2~0.88 |
0.4~1.7 |
1~4.4 |
2~8.8 |
4~17 |
|
|
1位數 |
0.001 |
0.002 |
0.005 |
0.01 |
0.02 |
||
|
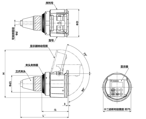
尺寸[mm] |
全長 |
L’ |
130 |
||||
|
高度 |
H |
130 |
|||||
|
夾爪 |
Фd |
1~8.5 |
|||||
|
直徑 |
ФD |
75 |
|||||
|
本體 |
?1 |
72 |
|||||
|
夾持器直徑 |
Фd1 |
46 |
|||||
|
重量[kg] |
0.65 |
||||||
常用規格
|
連續使用時間 |
使用紐扣電池為10小時 |
|
其他功能 |
自動關機(3分鐘)、 |
|
自動記憶復位(0.5-5秒) |
|
|
自動歸零、顯示剩余電量(4檔)、 |
|
|
蜂鳴器ON/OFF |
|
|
使用溫度范圍 |
0~40°C 無冷凝 |
|
顯示調整范圍 |
0~160° |
|
測量方向 |
雙向型 |
|
顯示屏 |
7段 LCD |
|
計數器:3位數3mm高字符、 扭矩值:4位數7mm高字符 扭矩單位、電池壽命、測量方向 |
|
|
測量模式 |
PEAK/RUN |
|
存儲量 |
最大999條讀數 |
|
統計處理 |
采樣數、最大值、最小值、平均值 |
|
數據輸出 |
USB接頭(USB微型B接頭) |
|
電源 |
紐扣鋰電池(CR2450) |
BTGE顯示部處于開放狀態
BTGE+809+BMRD
產品尺寸圖片:
注意
※通過BTGE進行測定時,請確保測定物被帶入的長度保持在10mm以上。
備注
校準使用ATGTCL校準套件。※需要部件#806(ATGE-G轉接頭)。紐扣電池(本體內置)、便攜箱
松本機電提供選型服務,1000多種產品型號,可根據客戶機械設備量身定制主軸及工量具專屬 解決方案。
松本機電擁有完整服務鏈,自主團隊可上門為您安裝調試,并且隨時提供電話支持及現場解答。
松本機電自有技術維修團隊,可提供上門維修服務,維修速度快,為您節省3倍的維修時間,讓您售后無憂。
松本機電選用NAKANISHI品牌,10年專注主軸、工量具領域,品牌授權,原廠證明、報關清單、原產地證明,三證齊全,原裝正品保障。
松本機電通過持續不斷的國際技術交流,層層攻克技術難題,自有工程師團隊,具備設計及開發能力和自動化整合的技術。