
日本三豐Mitutoyo指針式百分表2046S,2系列指針式指示表,10mm行程;分度值為0.01mm的標準刻度盤帶有一個外徑為直徑57mm的前框,所有的標準型都帶有限值爪和鎖緊裝置,軸套、測桿經過高強度淬火處理,適于高輕度測量。
177-2781-6361
日本三豐Mitutoyo指針式百分表2046S,2系列指針式指示表,10mm行程;分度值為0.01mm的標準刻度盤帶有一個外徑為直徑57mm的前框,所有的標準型都帶有限值爪和鎖緊裝置,軸套、測桿經過高強度淬火處理,適于高輕度測量。
日本三豐Mitutoyo指針式百分表2046S
2046S指針式百分表
日本三豐Mitutoyo指針式百分表
產品特點:
1.分度值為0.01mm的標準刻度盤帶有一個外徑為57mm的外框架。所有的標準型都帶有限值爪和鎖緊裝置;
2.鎖緊裝置和提升桿(選件)可裝在左側或右側,這些零件可輕易組裝而不需要借助工具;
3.表盤和表蓋使用O型圈緊密黏合,可保證表盤面有效防水及防油;
4.軸套、測桿經過高強度淬火處理,適于高強度測量;
5.硬質合金測針;
6.不銹鋼齒輪不易損壞和變形;
7水晶表蓋采用加硬涂層,具有良好的高度防劃和耐化學腐蝕。
產品參數:
|
貨號 |
2046S |
2046SB |
|
分度值 |
0.01mm |
|
|
測量范圍 |
10mm |
|
|
表盤讀數值 |
±0-100 |
|
|
長針1圈 |
1mm |
|
|
任意1/10圈的指示誤差 |
5μm |
|
|
任意1/2圈的指示誤差 |
9μm |
|
|
任意1圈的指示誤差 |
10μm |
|
|
全行程范圍的指示誤差 |
13μm |
|
|
返回誤差 |
3μm |
|
|
返回精度 |
3μm |
|
|
測力 |
1.4N以下 |
|
|
后蓋 |
帶耳后蓋 |
平行后蓋
|
*成品檢查為縱向位置(側頭向下的位置)進行可以保證精度。
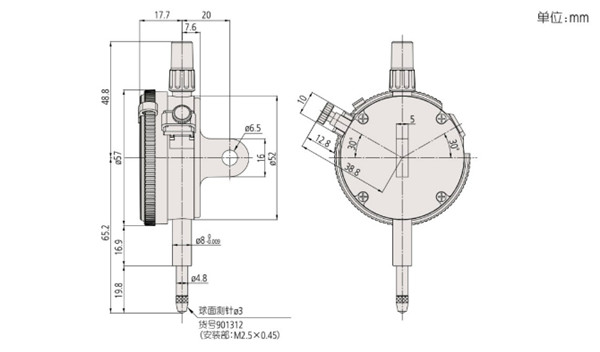
產品尺寸圖:
S系列(2、3、4系列)特點:
松本機電提供選型服務,1000多種產品型號,可根據客戶機械設備量身定制主軸及工量具專屬 解決方案。
松本機電擁有完整服務鏈,自主團隊可上門為您安裝調試,并且隨時提供電話支持及現場解答。
松本機電自有技術維修團隊,可提供上門維修服務,維修速度快,為您節省3倍的維修時間,讓您售后無憂。
松本機電選用NAKANISHI品牌,10年專注主軸、工量具領域,品牌授權,原廠證明、報關清單、原產地證明,三證齊全,原裝正品保障。
松本機電通過持續不斷的國際技術交流,層層攻克技術難題,自有工程師團隊,具備設計及開發能力和自動化整合的技術。