
日本三豐mitutoyo磁性表座7011S-10,磁性臺架具有強磁力能夠固定在機床和夾具上,適用于所有的指針式指示表和杠桿指示表。 縱向·橫向的安裝孔和套管可以安裝杠桿指示表和指針式指示表。
177-2781-6361
日本三豐mitutoyo磁性表座7011S-10,磁性臺架具有強磁力能夠固定在機床和夾具上,適用于所有的指針式指示表和杠桿指示表。 縱向·橫向的安裝孔和套管可以安裝杠桿指示表和指針式指示表。
日本三豐mitutoyo磁性表座7011S-10
7011S-10磁性表座
日本三豐磁性表座
產品特點:
7系列磁性臺架
1.磁性臺架具有強磁力能夠固定在機床和夾具上,適用于所有的指針式指示表和杠桿指示表。
2. 縱向·橫向的安裝孔和套管可以安裝杠桿指示表和指針式指示表*。
* 推薦類型 :小型、輕量。
規格:
|
貨號 |
描述 |
適用軸套直徑 |
吸附力 *1 |
|
7010-10 |
磁性臺架 |
?6mm, ?8mm |
約 600N |
|
7011-10 |
磁性臺架 |
?6mm, ?8mm |
約 600N |
|
7012-10*2 |
磁性臺架 |
?6mm, ?8mm, ?9.53mm |
約 600N |
|
7014-10*2 |
小型磁性臺架 |
?6mm, ?8mm, 燕尾型榫槽 |
約 150N |
|
7031B |
通用磁性臺架 |
?6mm, ?8mm, ?9.53mm, 燕尾型榫槽 |
約 300N |
|
7032B |
通用磁性臺架 |
?6mm, ?8mm, ?9.53mm, 燕尾型榫槽 |
約 600N |
|
7033B |
通用磁性臺架 |
?6mm, ?8mm, ?9.53mm, 燕尾型榫槽 |
約 600N |
*1 :吸附力是在垂直時候的大約數值。
*2 :推薦使用杠桿指示表和 1 系列的指示表 (小型、輕量型)
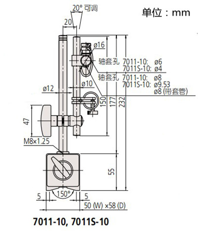
產品尺寸:
松本機電提供選型服務,1000多種產品型號,可根據客戶機械設備量身定制主軸及工量具專屬 解決方案。
松本機電擁有完整服務鏈,自主團隊可上門為您安裝調試,并且隨時提供電話支持及現場解答。
松本機電自有技術維修團隊,可提供上門維修服務,維修速度快,為您節省3倍的維修時間,讓您售后無憂。
松本機電選用NAKANISHI品牌,10年專注主軸、工量具領域,品牌授權,原廠證明、報關清單、原產地證明,三證齊全,原裝正品保障。
松本機電通過持續不斷的國際技術交流,層層攻克技術難題,自有工程師團隊,具備設計及開發能力和自動化整合的技術。