
日本西鐵城指針測微器3M-250,最小刻度:2um,指示范圍0~1mm,輕松實現高精度、高感度的極富安定感的指示測微器;更采用緩沖機構設計,具備更優越的耐久性和耐沖擊性。
177-2781-6361
日本西鐵城指針測微器3M-250,最小刻度:2um,指示范圍0~1mm,輕松實現高精度、高感度的極富安定感的指示測微器;更采用緩沖機構設計,具備更優越的耐久性和耐沖擊性。
3M-250指針測微器
日本西鐵城指針測微器3M-250
日本西鐵城CITIZEN指針測微器
產品特點:
MU-METRON是為了對應測量的高精度化需求而設計的專業的工業測量器。實現高精度、高感度和高安定度,更采用緩沖機構設計,具備更優越的耐久性和耐沖擊性。
產品特性:
1.最小刻度:2um
2.指示范圍:0~1mm
產品規格:
|
型式 |
2M-100 |
3M-100 |
3M-250 |
4M-100P |
|
|
最小刻度 |
1μm |
1μm |
2μm |
0.5μm |
|
|
指示范圍 |
±0.05mm |
±0.05mm |
0~1mm |
±0.05mm |
|
|
精度 |
±1μm |
±1μm |
±2μm |
±0.5μm |
|
|
測量力 |
0.784N |
0.588N |
|||
|
測定軸行程 |
2.8毫米 |
||||
|
標準規格 |
測頭※1 |
F-001 |
|||
|
后蓋※2 |
F-M101 |
F-M100 |
|||
|
測定軸頂針 |
M-140 |
||||
|
配件 |
橡膠防塵套 |
M-131 |
|||
※1可更換其他規格的測頭使用。
※2可更滑其他規格的后蓋使用。
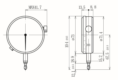
產品尺寸圖:
松本機電提供選型服務,1000多種產品型號,可根據客戶機械設備量身定制主軸及工量具專屬 解決方案。
松本機電擁有完整服務鏈,自主團隊可上門為您安裝調試,并且隨時提供電話支持及現場解答。
松本機電自有技術維修團隊,可提供上門維修服務,維修速度快,為您節省3倍的維修時間,讓您售后無憂。
松本機電選用NAKANISHI品牌,10年專注主軸、工量具領域,品牌授權,原廠證明、報關清單、原產地證明,三證齊全,原裝正品保障。
松本機電通過持續不斷的國際技術交流,層層攻克技術難題,自有工程師團隊,具備設計及開發能力和自動化整合的技術。