
西鐵城CITIZEN界限器2BF-3,檢測范圍0~4mm,接點分辨率精度:5μm,自動防護功能(接點通導不良的情況下,會自動輸出NG判定)。
177-2781-6361
西鐵城CITIZEN界限器2BF-3,檢測范圍0~4mm,接點分辨率精度:5μm,自動防護功能(接點通導不良的情況下,會自動輸出NG判定);3段數據分區,可以跟PLC對應連接線(TRC-200)組合,實現于PLC等控制器的連接。
2BF-3界限器
西鐵城CITIZEN界限器2BF-3
日本西鐵城CITIZEN界限量表
產品特點:
SIGNAL LIMIT擁有檢測范圍廣泛、設定位置調整方便的特點。指針式量表(另售)與信號界限器為可拆分式,量表設定完成后可拆卸,單獨使用界限器即可。防滴防塵的構造,堅固耐用,可適用于任何生產線或工作現場,使用更加方便。
產品特性:
1.自動防護功能(接點通導不良的情況下,會自動輸出NG判定);
2.3段數據分區;
3.可以跟PLC對應連接線(TRC-200)組合,實現于PLC等控制器的連接。
產品規格:
|
型號 |
4B-5 |
2B-5 |
CLS-1L |
2BF-3 |
|
|
檢定范圍 |
0~5mm |
1~3.5mm |
0~4mm |
||
|
測定軸行程 |
10mm |
5mm |
|||
|
接點數 |
4觸點 |
2個觸點 |
1接觸 |
2個觸點 |
|
|
(5段數據分區) |
(3段數據分區) |
(3段數據分區) |
|||
|
測定力 |
1.47N |
0.78N |
1.47N |
||
|
接點分辨率精度 |
5μm |
3μm |
5μm |
||
|
接點容量 |
DC24V4毫安(抵抗負荷) |
||||
|
標準規格 |
測頭※1 |
F-001 |
|||
|
連接線※2 |
1.5米(直接連接) |
1.5米 |
- |
1.5米 |
|
|
橡膠防塵墊 |
- |
- |
M-131 |
- |
|
|
配件 |
測定軸頂針 |
M-140 |
- |
M-140 |
|
注意:
1.量表為另售。
2.接點于本體間為絕緣狀態。
3.2B-5、2BF-3的連接線為可拆卸型,4B-5的連接線為自帶型。
4.測定力不包含量表的測定力。
※1 可更換其他規格的測頭使用。
※2 2B-5、2BF-3可使用界限表的配件鏈接線。
產品分解圖:
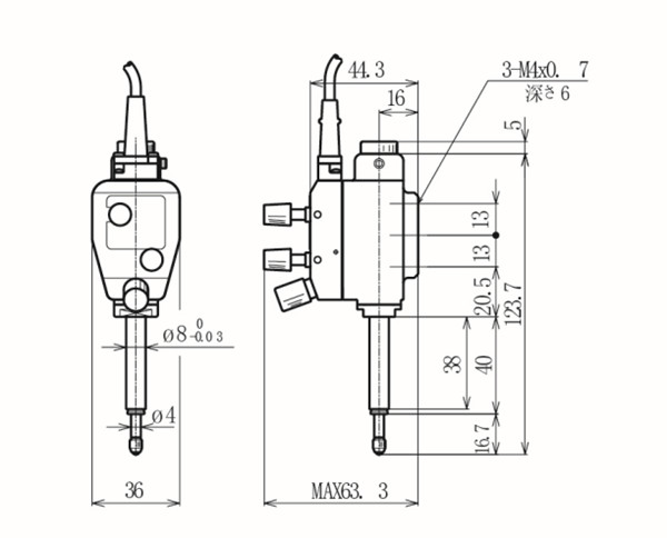
產品尺寸圖:
松本機電提供選型服務,1000多種產品型號,可根據客戶機械設備量身定制主軸及工量具專屬 解決方案。
松本機電擁有完整服務鏈,自主團隊可上門為您安裝調試,并且隨時提供電話支持及現場解答。
松本機電自有技術維修團隊,可提供上門維修服務,維修速度快,為您節省3倍的維修時間,讓您售后無憂。
松本機電選用NAKANISHI品牌,10年專注主軸、工量具領域,品牌授權,原廠證明、報關清單、原產地證明,三證齊全,原裝正品保障。
松本機電通過持續不斷的國際技術交流,層層攻克技術難題,自有工程師團隊,具備設計及開發能力和自動化整合的技術。