
西鐵城CITIZEN探針IPD-B505F,又稱為數字式電子尺,超小型盒裝設計、適合植入設備中使用,具備原點檢出功能,關閉電源后不需再進行歸零,IP67保護等級,EMC指令(CE認證)。
IPD-B505F探針
西鐵城CITIZEN探針IPD-B505F
西鐵城CITIZEN探針
產品特性:
本測定器采用光電檢出方式檢出中心軸的直線移動量并轉為數據。
與以往的表盤式計測器所采用的回轉角度轉換為長度的計測方式不同,本測定器全測定范圍內都可以得到高精度的測定值。
另外,檢測器與顯示器分離的方式,適合用于機械的組立。多種顯示和控制用顯示器可供選擇,具備單一測定、和差演算、峰值對峰值、3段精度顯示等功能可滿足各種測量需求。
產品特點:
1.超小型盒裝設計、適合植入設備中使用。
2. 具備原點檢出功能,關閉電源后不需再進行歸零。
3.固定螺絲設計在檢測器下部,可避免安裝過緊時破傳感器本體。
4.IP67保護等級,EMC指令(CE認證)。
產品規格:
|
形式 |
IPD-B505F/05M |
IPD-B505F/2M |
IPD-B505F/2M-03N |
|
|
測量范圍 |
5mm |
|||
|
讀取量 |
0.5μm |
|||
|
指示精度 |
1μm以下 |
|||
|
測定力 |
1.08N以下 |
0.3N以下 |
||
|
響應速度※1 |
2000mm/sec |
|||
|
保護等級 |
IP67 |
|||
|
原點位置 |
距離行程下死點約1.3mm |
|||
|
重量 |
約63g |
約110g |
||
|
鏈接線長 |
0.5m |
2m |
||
|
標準規格 |
測頭※2 |
F-201(陶瓷) |
||
|
橡膠防塵套 |
M-138 |
|||
⊙特殊規格(如測定力等)的訂制請與我們洽談.
※1即為保證正常輸出信號條件下測定軸可達到的快移動速度
※2可更換其他規格的測頭使用。
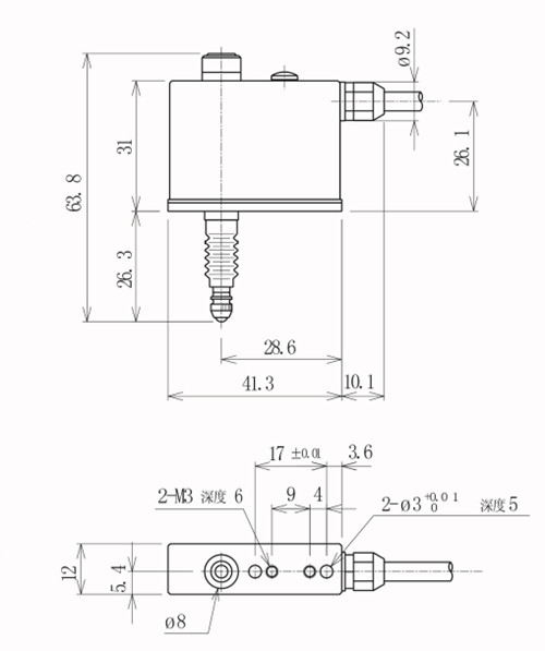
產品尺寸圖:
下方固定可實現高密度裝配
采用固定孔下置的設計,可以進行高密度的多組組合,并可以避免由于鎖定套筒過緊造成的動作不良。具有定位孔,可對應定位栓使用,重新安裝時更加方便。
|
配件延長線 |
長度 |
2m |
3m |
5m |
10m |
|
型式 |
SDA-2340-(1)2M |
SDA-2340-(2)3M |
SDA-2340-(4)5M |
SDA-2340-(6)10M |
⊙IPD-B505F、IPD-P510、IPD-B515、IPD-B535、IPD-C1003、DG-105B共同的纜線。
松本機電提供選型服務,1000多種產品型號,可根據客戶機械設備量身定制主軸及工量具專屬 解決方案。
松本機電擁有完整服務鏈,自主團隊可上門為您安裝調試,并且隨時提供電話支持及現場解答。
松本機電自有技術維修團隊,可提供上門維修服務,維修速度快,為您節省3倍的維修時間,讓您售后無憂。
松本機電選用NAKANISHI品牌,10年專注主軸、工量具領域,品牌授權,原廠證明、報關清單、原產地證明,三證齊全,原裝正品保障。
松本機電通過持續不斷的國際技術交流,層層攻克技術難題,自有工程師團隊,具備設計及開發能力和自動化整合的技術。