
西鐵城CITIZEN測微計DTH-P,測定力豐富多樣,品種豐富的感應檢測器可滿足各種測定條件,非常適合用于需要讀取到0.1um的測定、或者需要極低測定力的測試場合。
177-2781-6361
西鐵城CITIZEN測微計DTH-P,測定力豐富多樣,品種豐富的感應檢測器可滿足各種測定條件,非常適合用于需要讀取到0.1um的測定、或者需要極低測定力的測試場合;電氣式千分尺電子檢測器是根據電磁特性研發而出,具有高感度、高精度及低測定力的特點,擁有廣泛的使用范圍。
DTH-P測微計
西鐵城CITIZEN測微計DTH-P
西鐵城CITIZEN測微計
產品特性:
1.電氣式千分尺電子檢測器是根據電磁特性研發而出,具有高感度、高精度及低測定力的特點,擁有廣泛的使用范圍。
2.感應檢測器可分為柱塞式(DTH-P系列)及杠桿式(DTH-L系列)兩種,適用于各種測量。
3.各種檢測器之間具有互換性可根據測量需要進行調整。
產品特點:
1.品種豐富的感應檢測器可滿足各種測定條件。
2.非常適合用于需要讀取到0.1um的測定、或者需要極低測定力的測試場合。
產品規格:
|
型號 |
DTH-P20 |
DTH-P40 |
DTH-P70 |
DTH-P16AL |
|
|
測定力 |
0.196N |
0.392N |
0.686N |
0.157N |
|
|
測量范圍 |
±1mm(A后綴為-0.4--+1mm) |
||||
|
測定軸行程 |
4mm(A后綴為3.5mm) |
||||
|
零點位置 |
約2mm(A后綴為0.5mm) |
||||
|
反復精度 |
0.3um |
||||
|
精度保證溫度范圍 |
24℃±5℃ |
||||
|
使用溫度范圍 |
0~50℃ |
||||
|
重量(僅本體) |
約25g |
||||
|
標準規范 |
連接線長 |
3m |
|||
|
測頭※1 |
F-001 |
||||
|
橡膠防塵套 |
M-131 |
||||
◎測定力均為取下橡膠防塵套后的測定值。(安裝防塵套后測定力約提高0.05-0.15N)
◎定做特殊規格(機種、測定力等)請與我們洽談。
※1可更換其他規格的測頭使用
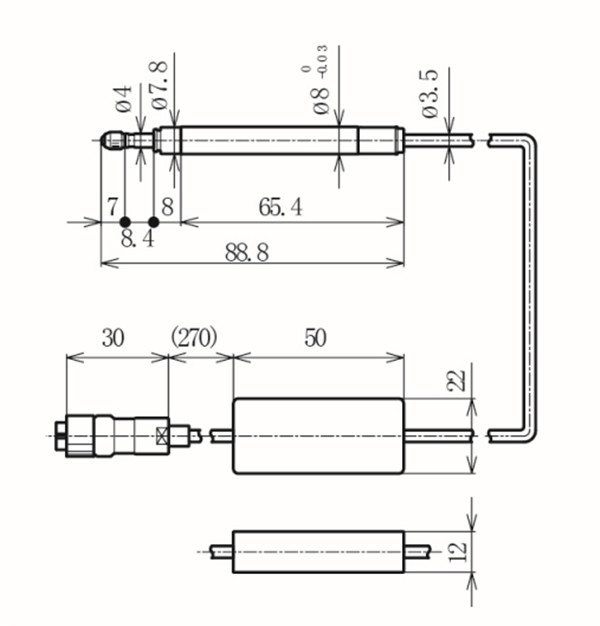
產品尺寸圖:
【機種分類】
【測定范圍】
杠桿式
|
|
02 |
8 |
15 |
|
DTH-L□□ |
0.0196N |
0.0785N |
0.147N |
|
DTH-L□□U |
0.0196N |
0.0785N |
0.147N |
柱塞式
|
|
16 |
20 |
40 |
50 |
70 |
|
DTH-P□□ |
- |
0.196N |
0.392N |
- |
0.686N |
|
DTH-P□□A |
- |
|
|
|
|
|
DTH-P□□AL |
0.157N |
- |
- |
- |
- |
|
DTH-P□□S |
- |
0.196N |
0.392N |
- |
0.686N |
|
DTH-P□□SH |
- |
0.196N |
0.392N |
- |
0.686N |
|
DTH-P□□W |
- |
- |
- |
- |
0.686N |
|
DTH-P□□L |
- |
- |
- |
0.49N |
0.686N |
松本機電提供選型服務,1000多種產品型號,可根據客戶機械設備量身定制主軸及工量具專屬 解決方案。
松本機電擁有完整服務鏈,自主團隊可上門為您安裝調試,并且隨時提供電話支持及現場解答。
松本機電自有技術維修團隊,可提供上門維修服務,維修速度快,為您節省3倍的維修時間,讓您售后無憂。
松本機電選用NAKANISHI品牌,10年專注主軸、工量具領域,品牌授權,原廠證明、報關清單、原產地證明,三證齊全,原裝正品保障。
松本機電通過持續不斷的國際技術交流,層層攻克技術難題,自有工程師團隊,具備設計及開發能力和自動化整合的技術。